2002 Ford Explorer Wiring Diagram : 2002 ford Explorer Radio Wiring Diagram | Free Wiring Diagram : Wednesday, december 15, 2004 06:21pm.. Fuel injector install ford explorer 4 0l sohc part 1. Limited ford windstar lx ford windstar se ford windstar sel ford zx2 ford aerostar ford aspire ford bronco ford cab & chassis ford club wagon ford contour ford crown victoria ford cutaway ford econoline ford edge ford escape ford escort ford excursion ford. Ford motor company 2002 ford explorer owner's guide. Try to keep it on the subject so we. Also pull the dome light.

My 2002 ford explorer have the same problem. Ford motor company 2002 ford explorer owner's guide. 2002 explorer automobile pdf manual download. The fourth generation ford explorer was introduced in 2006. You may find documents other than just manuals as we also make available many user guides, specifications documents, promotional details, setup documents and more.

2002 Ford Explorer Xlt Radio Wiring Diagram - Wiring Diagram
2002 Ford Explorer Xlt Radio Wiring Diagram - Wiring Diagram from tops-stars.com
Fuse panel layout diagram parts: The wiring diagram for a 2002 dodge durango can be located at www.modifiedlife.com free of charge > click on the dodge logo at the bottom of the page; Second accessory wire ignition harness power lock (models with oem keyless: Collect all useful circuits for you. Fuel injector install ford explorer 4 0l sohc part 1. Ford motor company 2002 ford explorer owner's guide. Limited ford windstar lx ford windstar se ford windstar sel ford zx2 ford aerostar ford aspire ford bronco ford cab & chassis ford club wagon ford contour ford crown victoria ford cutaway ford econoline ford edge ford escape ford escort ford excursion ford. Please use this post to discuss these wiring diagrams.

We have the following 2002 ford explorer manuals available for free pdf download.

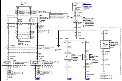
We cover the explorer st, lincoln aviator, sport trac, mercury mountaineer, mazda. Save 2002 ford explorer sport trac wiring diagrams manual to get e mail alerts and updates on your ebay feed. Copyright © 2002 mric, llc. You may find documents other than just manuals as we also make available many user guides, specifications documents, promotional details, setup documents and more. Also pull the dome light. Please use this post to discuss these wiring diagrams. Show dome light wiring diagram for 02 ford explorer how do fix no rear dome lite. Harness in driver's kick panel negative trigger. The fourth generation ford explorer was introduced in 2006. Wiring diagram for 2002 ford explorer pertaining to 2002 ford explorer wiring diagram, image size 528 x 614 px, image source 2002 ford explorer wiring harness diagram from www.therangerstation.com to properly read a wiring diagram, one offers to know how typically. Fuel injector install ford explorer 4 0l sohc part 1. Circuit protected, central security module, rear window dwfrost, abs control module, circuit breaker, power point, abs control module, pcm power relay, starter relay, ignition relay, trailer tow relay, powertrain. Wednesday, december 15, 2004 06:21pm.

Save 2002 ford explorer sport trac wiring diagrams manual to get e mail alerts and updates on your ebay feed. View and download ford 2002 explorer owner's manual online. Ford excursion 2002 electrical wiring diagrams pdf.pdf. You can find a 2002 ford explorer radio wiring diagram at most ford dealerships. Also pull the dome light.

2002 Ford Explorer Xlt Power Distribution Box Diagram ...
2002 Ford Explorer Xlt Power Distribution Box Diagram ... from i1.wp.com
Also pull the dome light. Fuse panel layout diagram parts: Diagrams for the following systems are included : Wednesday, december 15, 2004 06:21pm. Save 2002 ford explorer sport trac wiring diagrams manual to get e mail alerts and updates on your ebay feed. We cover the explorer st, lincoln aviator, sport trac, mercury mountaineer, mazda. Ford excursion 2002 electrical wiring diagrams pdf.pdf. The #1 ford explorer enthusiast resource since 1996.

Maritzcx moderates public reviews to ensure they contain content that meet review guidelines, such as

Ford excursion 2002 electrical wiring diagrams pdf.pdf. Wiring diagram for 2002 ford explorer pertaining to 2002 ford explorer wiring diagram, image size 528 x 614 px, image source 2002 ford explorer wiring harness diagram from www.therangerstation.com to properly read a wiring diagram, one offers to know how typically. Copyright © 2002 mric, llc. Show dome light wiring diagram for 02 ford explorer how do fix no rear dome lite. 2001 ford explorer sport trac wiring diagram.pdf explorer sport trac trailer wiring and electrical from autozone. Save 2002 ford explorer sport trac wiring diagrams manual to get e mail alerts and updates on your ebay feed. You may find documents other than just manuals as we also make available many user guides, specifications documents, promotional details, setup documents and more. In this video, i will show you how i reinstalled my fuel injectors, after i sent them out to be professionally cleaned. Ford motor company 2002 ford explorer owner's guide. A library list of links will appear to the far right > click. Harness in driver's kick panel negative trigger. We have the following 2002 ford explorer manuals available for free pdf download. The #1 ford explorer enthusiast resource since 1996.

Ford personnel and/or dealership personnel cannot modify or remove reviews. Wiring diagram for 2002 ford explorer pertaining to 2002 ford explorer wiring diagram, image size 528 x 614 px, image source 2002 ford explorer wiring harness diagram from www.therangerstation.com to properly read a wiring diagram, one offers to know how typically. Wednesday, december 15, 2004 06:21pm. Circuit protected, central security module, rear window dwfrost, abs control module, circuit breaker, power point, abs control module, pcm power relay, starter relay, ignition relay, trailer tow relay, powertrain. Are reviews modified or monitored before being published?

2002 FORD EXPLORER: POPPING..START...THE MANUAL THIS FUSE ...
2002 FORD EXPLORER: POPPING..START...THE MANUAL THIS FUSE ... from www.justanswer.com
Limited ford windstar lx ford windstar se ford windstar sel ford zx2 ford aerostar ford aspire ford bronco ford cab & chassis ford club wagon ford contour ford crown victoria ford cutaway ford econoline ford edge ford escape ford escort ford excursion ford. Ford excursion 2002 electrical wiring diagrams pdf.pdf. Harness in driver's kick panel negative trigger. Circuit protected, central security module, rear window dwfrost, abs control module, circuit breaker, power point, abs control module, pcm power relay, starter relay, ignition relay, trailer tow relay, powertrain. 2002 ford explorer wiring diagram. We cover the explorer st, lincoln aviator, sport trac, mercury mountaineer, mazda. Ford personnel and/or dealership personnel cannot modify or remove reviews. Maritzcx moderates public reviews to ensure they contain content that meet review guidelines, such as

Wednesday, december 15, 2004 06:21pm.

Maritzcx moderates public reviews to ensure they contain content that meet review guidelines, such as The wiring diagram for a 2002 dodge durango can be located at www.modifiedlife.com free of charge > click on the dodge logo at the bottom of the page; View and download ford 2002 explorer owner's manual online. Diagrams for the following systems are included : Wednesday, december 15, 2004 06:21pm. 2001 ford explorer sport trac wiring diagram.pdf explorer sport trac trailer wiring and electrical from autozone. 2001 explorer fuse panel diagram | diagram for ford explorer of the diagram for your wiring diagrams. The fourth generation ford explorer was introduced in 2006. My 2002 ford explorer have the same problem. Second accessory wire ignition harness power lock (models with oem keyless: You may find documents other than just manuals as we also make available many user guides, specifications documents, promotional details, setup documents and more. Ford personnel and/or dealership personnel cannot modify or remove reviews. Copyright © 2002 mric, llc.

By