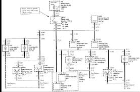
2002 Ford Ranger Fuse Box : Ford Ranger 2001 2002 Fuse Box Diagram Carknowledge Info : Key is the only one we ever had.. I have a 2002 ford ranger xlt 3.0 and i recently rebuilt the entire motor. 2001 2002 2003 2004 2005 2006 2007 2008 2009 ford ranger iv is a range of pickup trucks manufactured and sold by the company in south and all ford ranger iv info & diagrams provided on this site are provided for general information purpose only. One is located under the hood, while the other is found underneath the driver side dashboard. 2.3 l duratec, 3.0 l vulcan v6, 4.0 l sohc v6 (north america; For your viewing and printing pleasure, you can download the pdf of this page here:

2.3 l duratec, 3.0 l vulcan v6, 4.0 l sohc v6 (north america; We provide a full selection of genuine ford ranger fuse box, tested and validated by ford ranger for fit, form and function. In the table below you'll find the fuse location and description of the fuses of the fuse box on 1993 ford ranger. I need a wiring diagram for a ford ranger thunder 2.5 2004. All fuses and relays that have to do with starting and pcm are good.

2002 Ford Ranger Fuse Block Diagram Biblicalsymbolsdiagrams Ilsolitariothemovie It
2002 Ford Ranger Fuse Block Diagram Biblicalsymbolsdiagrams Ilsolitariothemovie It from tse4.mm.bing.net
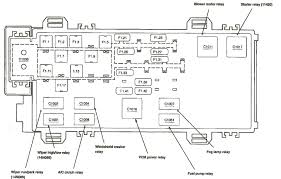
If your ranger has many options like a sunroof, navigation, heated seats, etc, the more fuses it has. Left stop/turn trailer tow connector. 12 way circuit blade fuse box standard ato atc blade fuse car block holder kit (fits: Here is a picture gallery about fuse panel 2002 ford ranger complete with the description of the image. 1998 ranger fuse box (located in passenger compartment) Right stop/turn trailer tow connector 2003: Fuse box in the passenger compartment. Here references for those who already tired to search for.

I tried to register at myford and download the owners manual but for some since your 1999 ranger is virtually identical to my '98, this ought to help you out:

Here you will find fuse box diagrams of ford ranger 1998, 1999, 2000, 2001, 2002 and 2003, get information about the location of the fuse panels inside the car, and learn about the assignment of each fuse (fuse layout) and relay. All fuses and relays that have to do with starting and pcm are good. Left stop/turn trailer tow connector. We provide a full selection of genuine ford ranger fuse box, tested and validated by ford ranger for fit, form and function. Fuse panel layout diagram parts: 1998 ranger fuse box (located in passenger compartment) Ford ranger fuse box map. I need a wiring diagram for a ford ranger thunder 2.5 2004. Here references for those who already tired to search for. Battery saver relay, auxiliary relay box, restraint central module (rcm), generic electroic module (gem), instrument cluster. Find great deals on ebay for 1993 ford ranger fuse. Did you met often such messages on the internet? 2.3 l duratec, 3.0 l vulcan v6, 4.0 l sohc v6 (north america;

Here you will find fuse box diagrams of ford ranger 1998, 1999, 2000, 2001, 2002 and 2003, get information about the location of the fuse panels inside the car, and learn about the assignment of each fuse (fuse layout) and relay. If your ranger has many options like a sunroof, navigation, heated seats, etc, the more fuses it has. We offer a full selection of genuine ford ranger fuse boxes, engineered specifically to restore factory performance. All fuses and relays that have to do with starting and pcm are good. Ford ranger fuse box map.

2002 Ranger Xlt Fuse Box Wiring Diagram System Lush Norm A Lush Norm A Ediliadesign It
2002 Ranger Xlt Fuse Box Wiring Diagram System Lush Norm A Lush Norm A Ediliadesign It from www.justanswer.com
The arrangement and count of fuse boxes of electrical safety locks established under the hood, depends on car model and make. Find the fuse panel, which is located in the left end of the instrument panel. We provide a full selection of genuine ford ranger fuse box, tested and validated by ford ranger for fit, form and function. I need a wiring diagram for a ford ranger thunder 2.5 2004. In the table below you'll find the fuse location and description of the fuses of the fuse box on 1993 ford ranger. 2.3 l duratec, 3.0 l vulcan v6, 4.0 l sohc v6 (north america; Box office mojo find movie box office data. Fuse box diagram ford ranger, engines:

I need a wiring diagram for a ford ranger thunder 2.5 2004.

› see all products in tools & equipment. Here references for those who already tired to search for. In the table below you'll find the fuse location and description of the fuses of the fuse box on 1993 ford ranger. The fuse box is located on the driver side of the dash. Box office mojo find movie box office data. For your viewing and printing pleasure, you can download the pdf of this page here: All fuses and relays that have to do with starting and pcm are good. Find the fuse panel, which is located in the left end of the instrument panel. The schematics for a 2002 ford f150 4x4 are located in various parts of the vehicle. Ford ranger fuse box map. Fuse box in the passenger compartment. One is located under the hood, while the other is found underneath the driver side dashboard. I'm trying to find the fuse panel layout.

Did you met often such messages on the internet? Fuse panel layout diagram parts: Key is the only one we ever had. The fuse schematic is located on the inside cover of the fuse box lid. Ford ranger fuse box map.

2002 Ford Ranger Fuse Diagram Under Dash 24352 Getacd Es
2002 Ford Ranger Fuse Diagram Under Dash 24352 Getacd Es from tse3.mm.bing.net
I have a 2002 ford ranger xlt 3.0 and i recently rebuilt the entire motor. Fuse box in the passenger compartment. Right stop/turn trailer tow connector 2003: In the table below you'll find the fuse location and description of the fuses of the fuse box on 1993 ford ranger. One is located under the hood, while the other is found underneath the driver side dashboard. Here you will find fuse box diagrams of ford ranger 1998, 1999, 2000, 2001, 2002 and 2003, get information about the location of the fuse panels inside the car, and learn about the assignment of each fuse (fuse layout) and relay. 12 way circuit blade fuse box standard ato atc blade fuse car block holder kit (fits: I tried to register at myford and download the owners manual but for some since your 1999 ranger is virtually identical to my '98, this ought to help you out:

Box office mojo find movie box office data.

Key is the only one we ever had. The schematics for a 2002 ford f150 4x4 are located in various parts of the vehicle. One is located under the hood, while the other is found underneath the driver side dashboard. Fuse box in passenger compartment. 1998 ranger fuse box (located in passenger compartment) The power distribution box is located in the engine compartment. Fuse box diagram ford ranger, engines: Battery saver relay, auxiliary relay box, restraint central module (rcm), generic electroic module (gem), instrument cluster. We provide a full selection of genuine ford ranger fuse box, tested and validated by ford ranger for fit, form and function. 12 way circuit blade fuse box standard ato atc blade fuse car block holder kit (fits: The fuse box is located on the driver side of the dash. Fuse box in the passenger compartment. I need a wiring diagram for a ford ranger thunder 2.5 2004.

By