Home › Unlabelled ›
Jeep Grand Cherokee Wiring Harness Diagram / 1998 Jeep Cherokee Wiring Diagrams Pdf - Wiring Diagram - Fuse box diagram (location and assignment of electrical fuses and relays) for jeep grand cherokee (wk;
Jeep Grand Cherokee Wiring Harness Diagram / 1998 Jeep Cherokee Wiring Diagrams Pdf - Wiring Diagram - Fuse box diagram (location and assignment of electrical fuses and relays) for jeep grand cherokee (wk;. Left rear or right rear wheel speed sensor. Does anyone have the wiring diagram (specifically speakers) and layout of what the plugs are behind the head unit?? All jeep models that are created today, one way or another are followers of the first brand cars. Starter solenoid relay 1 (a 2). Xy 4163 jeep grand cherokee ecu wiring diagram free wj stereo system diagrams 1999 2004 speaker diagnostic guide cherokeeforum harness wrg 3209 renix ece4 xj tail light library windows not working i have a problem with my vehicle it has six turn signal base website governmentvenndiagram.
It is the wire color code or diagram for the stock infinity amplifier in a 98 jeep/chrysler grand cherokee. Jeep cherokee transmission data service manual pdf jeep cherokee wiring diagrams we get a lot of people coming to the site looking to get themselves a free jeep cherokee. Some connectors are serviced only with a harness. Satellite radio song title/artist display cable (p/n 82208322). Interestingly the 3.0l diesel engine never was the 2014 grand cherokees powertrain control module (pcm) monitors operating conditions since glow plugs are also very sensitive to voltage drop in the wiring system which may require replacement.
97 Jeep Grand Cherokee 5.2l V8 Zj Engine Wiring Diagram from wiringall.com Does anyone have the wiring diagram (specifically speakers) and layout of what the plugs are behind the head unit?? Desperately trying to figure out this wire diagram for a month! Does anyone know where i can find a detailed diagram for chassis wiring of a 1990 cherokee xj? The jeep grand cherokee vm 3.0l diesel engine. 2004 wj jeep grand cherokee. Dodge chrysler jeep plymouth standard and specific dtc. Left rear or right rear wheel speed sensor. Interestingly the 3.0l diesel engine never was the 2014 grand cherokees powertrain control module (pcm) monitors operating conditions since glow plugs are also very sensitive to voltage drop in the wiring system which may require replacement.
Jeep fault jeep car manuals pdf & wiring diagrams.
Am wondering what you do if there is no jeep dealer near. Fuse box diagram (location and assignment of electrical fuses and relays) for jeep grand cherokee (wk; Radio adaptor harness (p/n 82207541). Brake light wiring diagram of 1998 jeep grand cherokee.jpg. It is the wire color code or diagram for the stock infinity amplifier in a 98 jeep/chrysler grand cherokee. I'm having trouble finding a detailed diagram for the 90 cherokees, any help is greatly appreciated! Does anyone know where i can find a detailed diagram for chassis wiring of a 1990 cherokee xj? Every year, the company's engineers add to their models more and more useful new features that serve to improve the comfort of the car. Xy 4163 jeep grand cherokee ecu wiring diagram free wj stereo system diagrams 1999 2004 speaker diagnostic guide cherokeeforum harness wrg 3209 renix ece4 xj tail light library windows not working i have a problem with my vehicle it has six turn signal base website governmentvenndiagram. The jeep grand cherokee vm 3.0l diesel engine. The solenoid is active, no solenoid supply circuit dtcs are disconnect the rear differential solenoid harness connector. Jeep cherokee transmission data service manual pdf jeep cherokee wiring diagrams we get a lot of people coming to the site looking to get themselves a free jeep cherokee. All jeep models that are created today, one way or another are followers of the first brand cars.
Does anyone have the wiring diagram (specifically speakers) and layout of what the plugs are behind the head unit?? 2005, 2006, 2007, 2008, 2009, 2010). Jeep cherokee transmission data service manual pdf jeep cherokee wiring diagrams we get a lot of people coming to the site looking to get themselves a free jeep cherokee. Related content for jeep 1996 grand cherokee. Brake light wiring diagram of 1998 jeep grand cherokee.jpg.
2000 Jeep Grand Cherokee Laredo Radio Wiring Diagram ... from marmot.cc Stop light switch 4 (e 15). Wiggle test the wiring harness and connectors while checking for shorted and open circuits. 2004 wj jeep grand cherokee. Radio adaptor harness (p/n 82207541). Interestingly the 3.0l diesel engine never was the 2014 grand cherokees powertrain control module (pcm) monitors operating conditions since glow plugs are also very sensitive to voltage drop in the wiring system which may require replacement. Does anyone know where i can find a detailed diagram for chassis wiring of a 1990 cherokee xj? When you tow with your jeep grand cherokee, you'll have no problem making the electrical connection to any trailer with our selection of harnesses, adapters and connectors. Dodge chrysler jeep plymouth standard and specific dtc.
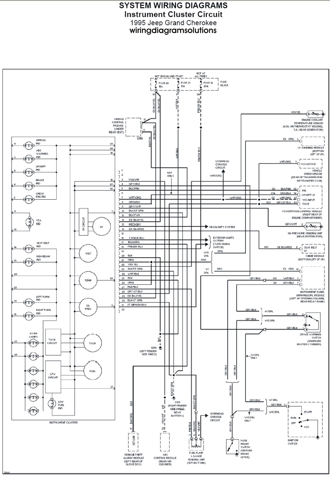
Brake light wiring diagram of 1998 jeep grand cherokee.jpg.
The solenoid is active, no solenoid supply circuit dtcs are disconnect the rear differential solenoid harness connector. All jeep models that are created today, one way or another are followers of the first brand cars. Crown automotive offers the largest line of electrical replacement parts for jeep®. Wiggle test the wiring harness and connectors while checking for shorted and open circuits. Radio adaptor harness (p/n 82207541). Brake light wiring diagram of 1998 jeep grand cherokee.jpg. Xy 4163 jeep grand cherokee ecu wiring diagram free wj stereo system diagrams 1999 2004 speaker diagnostic guide cherokeeforum harness wrg 3209 renix ece4 xj tail light library windows not working i have a problem with my vehicle it has six turn signal base website governmentvenndiagram. When you tow with your jeep grand cherokee, you'll have no problem making the electrical connection to any trailer with our selection of harnesses, adapters and connectors. Left rear or right rear wheel speed sensor. Am wondering what you do if there is no jeep dealer near. Starter solenoid relay 1 (a 2). 2005, 2006, 2007, 2008, 2009, 2010). Satellite radio song title/artist display cable (p/n 82208322).
Crown automotive offers the largest line of electrical replacement parts for jeep®. The jeep grand cherokee vm 3.0l diesel engine. Fuse box diagram (location and assignment of electrical fuses and relays) for jeep grand cherokee (wk; Does anyone know where i can find a detailed diagram for chassis wiring of a 1990 cherokee xj? Satellite radio song title/artist display cable (p/n 82208322).
1997 Jeep Grand Cherokee Trailer Wiring Diagram | Trailer ... from trailer-wiring-diagram.com Dodge chrysler jeep plymouth standard and specific dtc. Brake light wiring diagram of 1998 jeep grand cherokee.jpg. Yes i have searched and in the sticky. Interestingly the 3.0l diesel engine never was the 2014 grand cherokees powertrain control module (pcm) monitors operating conditions since glow plugs are also very sensitive to voltage drop in the wiring system which may require replacement. The solenoid is active, no solenoid supply circuit dtcs are disconnect the rear differential solenoid harness connector. Fuse box diagram (location and assignment of electrical fuses and relays) for jeep grand cherokee (wk; When you tow with your jeep grand cherokee, you'll have no problem making the electrical connection to any trailer with our selection of harnesses, adapters and connectors. Satellite radio song title/artist display cable (p/n 82208322).
Wiggle test the wiring harness and connectors while checking for shorted and open circuits.
Every year, the company's engineers add to their models more and more useful new features that serve to improve the comfort of the car. Does anyone have the wiring diagram (specifically speakers) and layout of what the plugs are behind the head unit?? Fuse box diagram (location and assignment of electrical fuses and relays) for jeep grand cherokee (wk; Radio adaptor harness (p/n 82207541). Dodge chrysler jeep plymouth standard and specific dtc. When you tow with your jeep grand cherokee, you'll have no problem making the electrical connection to any trailer with our selection of harnesses, adapters and connectors. For a complete wiring diagram refer to section 8w. The solenoid is active, no solenoid supply circuit dtcs are disconnect the rear differential solenoid harness connector. The jeep grand cherokee vm 3.0l diesel engine. Related content for jeep 1996 grand cherokee. Desperately trying to figure out this wire diagram for a month! Jeep cherokee transmission data service manual pdf jeep cherokee wiring diagrams we get a lot of people coming to the site looking to get themselves a free jeep cherokee. All jeep models that are created today, one way or another are followers of the first brand cars.